
An intelligent photo gallery system that curates daily photo selections using color harmony and semantic similarity. Built with CIELAB color space analysis and CLIP embeddings to select visually cohesive images, featuring an interactive gallery with modal inspection, color palette extraction, and dynamic background gradients. (try it below)

Tool-Using LLM for Programming Help. Built an agentic LLM that plans, executes, and verifies solutions via tools (retrieval, unit-test runner, static analyzer); achieved +8-12% pass@1 on Codeforces-style sets with A/B-tested prompt/skill graphs.

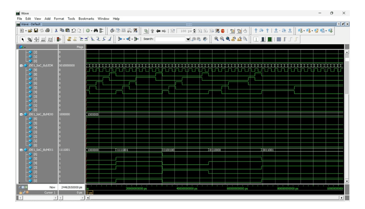
Tiny CNN Accelerator implemented on FPGA. Designed Verilog MFCC + 1D-CNN accelerator with AXI-Stream; timing closure at 100 MHz, <100 ms latency, real-time 16kHz audio. Achieved ≥90% accuracy on small-vocab Speech Commands with HPS integration, quantized weights, and on-board UI.

Innovator Category competition focused on designing and optimizing robot sensors for precision navigation and task automation. Achieved #2 in 2022 and #1 in 2021, showcasing excellence in robotics engineering and problem-solving.
Curated photos based on color harmony and semantic similarity
Gallery temporarily unavailable
The backend service is not connected yet
Feel free to reach out to me! Connect and message me on LinkedIn or email me at rish9@uw.edu.